MAS PSIターンpsiturn
ダイレクト給油 ホースレスクーラントスルーバイト
MAS PSIターンとは
内径や溝入れ加工だけじゃない。外径加工もクーラントの掛け方で結果が変わります。
PSIターンなら誰でも同じようにクーラントを刃先にピンポイントで掛けることができます。切り屑トラブルの改善、刃物交換頻度の低減に有効です。
インサートの傍から刃先めがけて上下二方向からクーラントを供給できます。
PSIターンは内部給油加工によって加工工程を安全に進めて生産性を上げる為に開発されました。 逃げ面とすくい面の二方向から刃先を狙って的確にクーラントを供給できるので、切り屑の除去を容易にしたり摩耗抑制の効果が期待できます。ヘッド部をできるだけコンパクトに設計してあり、切り屑が巻きつくリスクを低減しています。
切り屑が巻き付くリスクを極力抑える為、ヘッド部の形状をできるだけ小さくしてあります。
PSIターン加工事例
Work load:
機械の稼働率を示します。切り屑の巻きつきを手で取ったり、インサート交換の為の中断時間の削減ができました。
Service life in components:
刃先にクーラントが的確に当たるようになり、インサートの摩耗が抑制され交換頻度が減りました。
クーラントホースの接続にも工夫があります。
PSIターンのホルダにクーラントを供給する入口が3つ用意されています。
側面接続口
市販品のホースと継手で接続します。
後方接続口
市販品のホースと継手で接続します。
底面接続口
AQUA-Gなどの底面クーラント供給対応ホルダと組み合わせて使用することで、ホース無しでの接続が可能となります。
(*AQUA-G・・・ MAS社が提供しているVDI仕様の底面クーラント供給ホルダ)
内部給油対応VDIツールホルダ
内部給油仕様に対応したツールホルダをお持ちでないお客様向けにツールホルダもご案内することができます。
ツールホルダの専業メーカーハイマテック社からも底面クーラント供給ホルダを提案することが可能です。(特殊対応になる場合があります。)
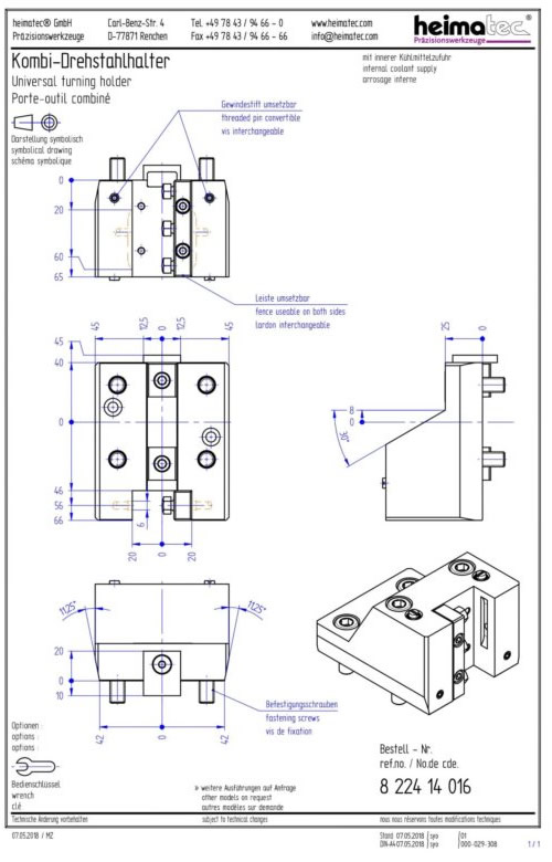
ハイマテック社の底面クーラント供給ホルダの一例(中村留精密工業 WT-150用ホルダ822414016)
商品ラインナップ
インサートはISO規格品が使えるので専用インサートは不要です。
Square shanks for positive inserts
Square shanks for negative inserts
PSK-Holders for positive inserts
PSK-Holders for negative inserts
カタログダウンロード
ご相談、お問合せはこちら
フォームが表示されるまでしばらくお待ち下さい。
恐れ入りますが、しばらくお待ちいただいてもフォームが表示されない場合は、こちらまでお問い合わせください。
