ETP ハイドロフィックスhydrofix
ボーリングスリーブ型 ハイドロツール
ETP ハイドロフィックスとは
ETPハイドロフィックスは19 年以上に渡りお客様から高いご評価を頂いている油圧クランピングシステムです。
このクランピングシステムは内径/外径加工やミ―リング加工、ファインボーリング加工に適しています。
工具の固定は1か所のねじを締めるだけで素早く簡単に作業できます。
工具は点ではなく面でしっかりと把持されるため、工具寿命の改善が期待できます。
油圧クランプ方式は振動を吸収・抑制する効果があり、仕上げ面性状の向上などあなたの生産性の向上に寄与します。
ETPハイドロフィックスと従来のクランプ方式での振動発生箇所と振動の大きさのイメージ図
従来のクランプ方式の場合
ETPハイドロフィックスの場合
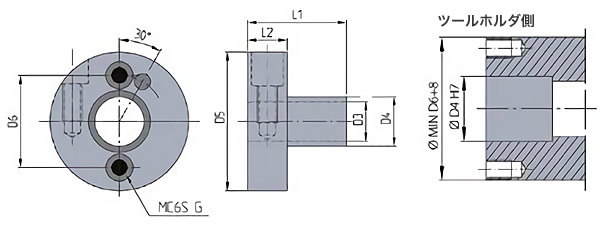
- 振れ精度0.006mm以下
- D1内径公差H7
- D2外径公差H7
- クランプ部分にDカットの無い円筒シャンク仕様の工具を使用してください。
Dカット付きの工具を使用する場合は、ハイドロフィックスの変形を防ぐためリダクションスリーブが必要になります。
ETPハイドロフィックス
油圧方式高精度クランピングスリーブ
固定だけでなく、回転工具と組み合わせて使用する事も可能です。
ラインナップ [mm]
| 型番 | 寸法[mm] |
推奨ネジ | 圧力ネジ | 振れ[mm] | T* Nm | 重量 [kg] | |||||||||
|---|---|---|---|---|---|---|---|---|---|---|---|---|---|---|---|
| D1* | D2** | D3 | L1 | L2 | D4 | D5 | D6 | H | V° | N | T*** Nm | ||||
| HYDRO-FIX 12/16-38 | 12 | 16 | 43.5 | 38 | 24 | 28 | 9.5 | 5.5 | 6 | 5 | 5 | 6 | 0.006 | 60 | 0.15 |
| HYDRO-FIX 16/20-44 | 16 | 20 | 47 | 44 | 30 | 36 | 9.5 | 5.5 | 6 | 10 | 5 | 6 | 0.006 | 165 | 0.17 |
| HYDRO-FIX 20/25-44 | 20 | 25 | 52 | 44 | 30 | 36 | 11 | 6.5 | 7 | 5 | 6 | 0.006 | 260 | 0.21 | |
| HYDRO-FIX 25/32-48 | 25 | 32 | 59 | 48 | 34 | 44 | 11 | 6.5 | 7 | 5 | 6 | 0.01 | 160 | 0.3 | |
| HYDRO-FIX 25/32-48+ | 25 | 32 | 59 | 48 | 34 | 44 | 11 | 6.5 | 7 | 5 | 10 | 0.01 | 350 | 0.33 | |
| HYDRO-FIX 32/40-53 | 32 | 40 | 69.5 | 53 | 39 | 52 | 11 | 6.5 | 7 | 5 | 10 | 0.01 | 320 | 0.43 | |
| HYDRO-FIX 32/40-53+ | 32 | 40 | 69.5 | 53 | 39 | 52 | 11 | 6.5 | 7 | 5 | 10 | 0.01 | 630 | 0.43 | |
| HYDRO-FIX 40/50-69 | 40 | 50 | 79 | 69 | 50 | 6 | 10 | 0.015 | 320 | 0.96 | |||||
| HYDRO-FIX 42/50-76 | 42 | 50 | 89 | 76 | 56 | 8 | 10 | 0.015 | 800 | 1.23 | |||||
| HYDRO-FIX 50/60-80 | 50 | 60 | 98.5 | 80 | 60 | 8 | 10 | 0.015 | 800 | 2.06 | |||||
| HYDRO-FIX 60/80-90 | 60 | 80 | 115.5 | 90 | 70 | 8 | 10 | 0.015 | 800 | 2.34 | |||||
ラインナップ [inch]
| 型番 | 寸法[mm] |
推奨ネジ | 圧力ネジ | 振れ[mm] | T* Nm | 重量 [kg] | |||||||||
|---|---|---|---|---|---|---|---|---|---|---|---|---|---|---|---|
| D1* | D2** | D3 | L1 | L2 | D4 | D5 | D6 | H | V° | N | T*** Nm | ||||
| HYDRO-FIX 1/2"/5/8"-38 | 0.5 | 0.625 | 1.713 | 1.496 | 0.945 | 1.102 | 0.374 | 0.217 | 0.236 | 5 | 0.197 | 6 | 0.00024 | 44 | 0.15 |
| HYDRO-FIX 5/8"/3/4"-44 | 0.625 | 0.75 | 1.85 | 1.732 | 1.181 | 1.417 | 0.374 | 0.217 | 0.236 | 10 | 0.197 | 6 | 0.00024 | 121 | 0.17 |
| HYDRO-FIX 3/4"-1-44 | 0.75 | 1 | 2.047 | 1.732 | 1.181 | 1.417 | 0.433 | 0.256 | 0.276 | 0.197 | 6 | 0.00039 | 191 | 0.21 | |
| HYDRO-FIX 1"/1 1/4"-48 | 1 | 1.25 | 2.323 | 1.89 | 1.339 | 1.732 | 0.433 | 0.256 | 0.276 | 0.197 | 6 | 0.00039 | 118 | 0.3 | |
| HYDRO-FIX 1"/1 1/4"-48+ | 1 | 1.25 | 2.323 | 1.89 | 1.339 | 1.732 | 0.433 | 0.256 | 0.276 | 0.197 | 6 | 0.00039 | 258 | 0.3 | |
| HYDRO-FIX 1 1/4"/1 1/2"-53 | 1.25 | 1.5 | 2.736 | 2.087 | 1.535 | 2.047 | 0.433 | 0.256 | 0.276 | 0.197 | 6 | 0.00039 | 258 | 0.43 | |
| HYDRO-FIX 1 1/4"/1 1/2"-53+ | 1.25 | 1.5 | 2.736 | 2.087 | 1.535 | 2.047 | 0.433 | 0.256 | 0.276 | 0.197 | 6 | 0.00039 | 465 | 0.43 | |
| HYDRO-FIX 1 1/2"/2"-69 | 1.5 | 2 | 3.11 | 2.717 | 2.165 | 0.197 | 6 | 0.00059 | 118 | 1.06 | |||||
| HYDRO-FIX 2"/2 1/2"-80 | 2 | 2.5 | 3.996 | 3.15 | 2.362 | 0.315 | 10 | 0.00059 | 590 | 1.42 | |||||
| HYDRO-FIX 2 1/2"/3"-93 | 2.5 | 3 | 4.685 | 3.661 | 2.874 | 0.315 | 10 | 0.00059 | 885 | 1.98 | |||||
工具接続例
Dカットのない円筒シャンクの場合は直接接続が可能です。下記の順で接続します。
- ボーリングバーホルダ
- ハイドロフィックス
- 工具
Dカット付のボーリングバーや、D1寸法より細い工具を使う場合は、リダクションスリーブを使用します。
REGOFIX製品、またはMEXリダクションスリーブを供給します。
リダクションスリーブについて
- 使用前に清掃をおこなってください。
- 工具は一部分だけを浅く差し込むのではなくスリーブの奥底まで差し込んでください。
- h6またはh7のシャンクのみ使用できます。
- リダクションスリーブに圧をかけない状態では絶対に使用しないでください。
カタログダウンロード
ご相談、お問合せはこちら
フォームが表示されるまでしばらくお待ち下さい。
恐れ入りますが、しばらくお待ちいただいてもフォームが表示されない場合は、こちらまでお問い合わせください。
