オプション&特殊品
Options and Specialized tools偏芯ブッシュやアライメントプレートなどのオプションパーツ、ねじなどのスペアパーツ、スロッター盤用ツールなど特殊ツール類を紹介します。
オプションパーツ
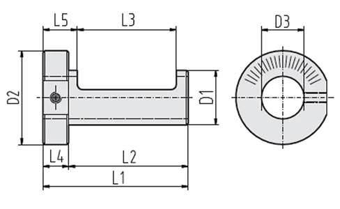
偏芯ブッシュ(B)
偏芯ブッシュはY軸を設備のNCで制御できない際に使用するオプションパーツです。
スロッティングで加工するキー溝などは幅精度だけでなく、位置精度も重要となります。Y軸制御ができる設備であれば、芯ズレが発生していてもプログラムで補正が可能です。
しかしY軸制御ができない旋盤などでは、ボーリングバーホルダの固定を緩めてからプラハンで叩いて精度出しを行うなど、オペレータに高度な技術が要求されていました。
偏芯ブッシュはY軸制御ができない設備でも、簡単に芯調整ができるオプションパーツです。
0.5mm偏芯した内径を回転させてY軸を移動させる機構で0.03mm刻みの調整ができる目盛付です。調芯目盛付きブッシュは特許取得済みの機構です。使用するUTホルダに合わせた内径のブッシュをお選びください。
例)UT-5-25 → B-32(内径φ25), UT-18/25-32 → B-40 or B-50(内径φ32)
偏芯ブッシュ機能:Y軸補正±0.5mm(1目盛:0.03mm)
1. 無補正状態でキー溝を加工した後ブロックゲージをあてワークを確認したところY軸で0.15mm右にずれていた
2. ボーリングバーホルダの固定ねじとブッシュのスクリュを緩め、目盛5分左側に回転させる
3. 5目盛分(0.03mm x5)Y軸が移動したことにより、キー溝が軸中心に補正された
| 型番 | 国内 在庫 |
φD1(H7)=外径 |
D3=内径 |
L1 (mm) |
L3 (mm) |
L4 (mm) |
L5 (mm) |
D2 (mm) |
対応する |
|---|---|---|---|---|---|---|---|---|---|
| B-32 | ★ | 32 | 25 | 85 | 58 | 15 | 20 | 48 | UT-XX-25 |
| B-40 | ★ | 40 | 32 | 95 | 66 | 55 | UT-XX-32 | ||
| B-50 | 50 | 115 | 75 | 65 |
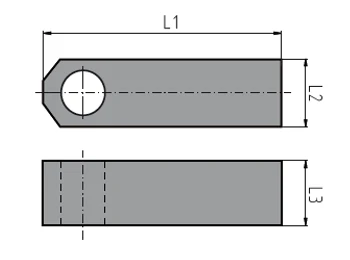
アライメントプレート(PN)
アラインメントプレートは、主にマシニングセンタでスロッティングツールを使用する際にツールとワークの間の同芯度や角度位相を保証するために使用するアタッチメントです。
アライメントプレートは、インサートホルダに取り付けて使用します。ダイヤルゲージで確認を取りやすい形状によって、ホルダとワーク基準軸の間の正しい位置合わせを確認することができます。アライメントプレートには5つの異なるサイズがあり、インサートホルダに適したサイズを使用する必要があります。アライメントプレートは全て国内在庫対象製品です。
| 型番 | 国内在庫 | 主な対応ホルダ | L1 (mm) |
L2 (mm) |
L3 (mm) |
|---|---|---|---|---|---|
| PN-0 | ★ | UT/UTS-2 | 50 | 5 | 6 |
| PN-1 | ★ | UT/UTS-3, UT/UTS-4, UT/UTS-5 UT-SQ-8/10, UT-SQ-10/13 UT-HEX-9/11, UT-HEX-11/17 |
50 | 6 | 8 |
| PN-2 | ★ | UT/UTS-6, UT/UTS-8 UT-SQ-13/16, UT-SQ-16/19 UT-HEX-17/28 |
50 | 10 | 8 |
| PN-3 | ★ | UT/UTS-10, UT/UTS-12 UT-SQ-19/27 UT-HEX-28/37 |
60 | 13 | 10 |
| PN-4 | ★ | UT/UTS-14/16 UT-SQ-27/37 UT-HEX-37/45 |
70 | 18 | 10 |
| PN-5 | ★ | UT/UTS-18/25 UT-SQ-37/50 UT-HEX-45/70 |
70 | 26 | 10 |
外径用ホルダ(UTE)
スロッティングツールは内径加工だけでなく、外径の溝加工を行うこともできます。外径加工時にテールストックを併用するなど干渉が発生するシチュエーションでは、外径加工専用のインサートホルダ(UTE)を使用して加工することができます。
また、外径加工用ホルダは加工長による剛性低下の影響を受けにくい点にもメリットがあります。
外径加工用インサートホルダは角シャンクで右勝手・左勝手の2タイプがあります。
- 右勝手インサートホルダ(UTE DX)
- 左勝手インサートホルダ(UTE SX)
外径加工用インサートホルダは特注対応品となります。
| 型番 | 国内 在庫 |
材質 | 勝手 | L3=シャンクサイズ (mm) |
L1 (mm) |
L2 (mm) |
L4 (mm) |
L5 (mm) |
L6 (mm) |
|---|---|---|---|---|---|---|---|---|---|
| UTE-20-DX | 焼入硬化鋼 | 右勝手 | 20 x 20 | 150 | 110 | 32.5 | 20 | 12.5 | |
| UTE-20-SX | 左勝手 | ||||||||
| UTE-25-DX | 右勝手 | 25 x 25 | 37.5 | 25 | |||||
| UTE-25-SX | 左勝手 |
スペアパーツ
インサート固定用ねじ
スロッティングインサートをホルダに固定するねじは専用形状となっています。
UTホルダ購入時に固定ねじは1個付属しています。追加パーツとして1個単位から購入可能です。
固定ねじ用のレンチは付属していません。指定サイズの市販レンチを使用してください。
| 型番 | 国内 在庫 |
代表的対応ホルダ | ねじ サイズ |
レンチ サイズ |
|---|---|---|---|---|
| VN-1 | ★ | UT-02,UT-03,UT-04,UT-05, UT-SQ-8/10,UT-10/13, UT-HEX-9/11,UT-HEX-11/17 |
M2.5 x 8 | T08 |
| VN-2 | ★ | UT-06, UT-08, UT-SQ-13/16,UT-SQ-16/19, UT-HEX-17/28 |
M4 x 10 | T15 |
| VN-3 | ★ | UT-10, UT-12, UT-SQ-19/27,UT-SQ-27/37, UT-HEX-28/37,UT-HEX-37/45 |
M6 x 15 | T20 |
| VN-4 | ★ | UT-14/16, UT-18/25, UT-SQ-37/50, UT-HEX-45/70 |
M8 x 16 | HEX5 |
小径用ツール
ミニツール&インテグラルインサート
通常のインサート方式では対応できない小さなワークに対応できるように開発されたツールがミニツール&インテグラルインサートです。
インテグラルインサートは小径穴内部の加工でも十分な剛性と精度を保つために、ワークに合わせた専用設計を行います。
ミニツールラインのφ25、φ32のインサートホルダは偏芯ブッシュを併用した芯調整にも対応可能です。Φ20とφ19.05ホルダは偏芯ブッシュの併用ができませんが、小型設備、特に自動盤で主に使用するため設備側の制御でY軸調整を行います。
キー溝、六角穴、四角穴、トルクス穴、スプラインなど様々な形状のツール製作へ対応可能です。
| 型番 | 国内 在庫 |
L1 (mm) |
L2 (mm) |
F1 (刃物形状) |
D1 (mm) |
D2 (mm) |
|---|---|---|---|---|---|---|
| IN-1/8(インテグラルインサート) | 18 | 2 | 特注対応 | 10H7 | 15 |
| 型番 | 国内在庫 | D2=外径 (mm) |
D1 (mm) |
L1 (mm) |
L2 (mm) |
偏芯ブッシュ |
|---|---|---|---|---|---|---|
| UT-1/8-19.05 | 19.05 | 30 | 90 | 15 | ― | |
| UT-1/8-20 | 20 | ― | ||||
| UT-1/8-25 | 25 | B-32 | ||||
| UT-1/8-32 | 32 | 38 | 100 | B-40, B-50 |
スロッター盤用ツール
スロッター盤用アダプター
角バイトを使用するタイプのスロッター盤に対して、角バイト変換アダプターを使用することで通常のUTホルダを搭載することができます。 スロッター盤用アダプターは正方形にの角バイトに変換するADシリーズと台形のクランプ部を持つプリズムタイプADPシリーズの2種があります。
UTホルダは2本のねじでアダプタに固定されますが、タイミングピンを使用することで角度位相を正確に決めることができます。UTホルダのシャンクに合った内径(D1)のアダプターを使用してください。
| 型番 | 国内 在庫 |
D1=内径 (mm) |
L1 (mm) |
L2 (mm) |
L3= シャンク幅 (mm) |
L4 (mm) |
L5 (mm) |
L6 (mm) |
L7 (mm) |
重量 (g) |
|---|---|---|---|---|---|---|---|---|---|---|
| AD-35 | 25 | 140 | 40 | 35 | 10 | 6 | ― | ― | 500 | |
| AD-40 | 32 | 50 | 40 | ― | ― | 600 | ||||
| AD-50 | 170 | 50 | ― | ― | 2200 | |||||
| ADP-35 | 25 | 140 | 40 | 35 | 10 | 41.5 | 600 | |||
| ADP-40 | 32 | 50 | 40 | 10 | 50 | 700 |
カタログダウンロード
その他の情報
ご相談、お問合せはこちら
フォームが表示されるまでしばらくお待ち下さい。
恐れ入りますが、しばらくお待ちいただいてもフォームが表示されない場合は、こちらまでお問い合わせください。
