キー溝用インサート&ホルダ
keyway高精度なキー溝加工をNC旋盤やマシニングセンタに工程集約できるツールです
キー溝用インサート&ホルダとは
REV(レヴ)のキー溝用インサートはH7, D10などの高精度な公差クラスのキー溝を一般的なNC旋盤やマシニングセンタで加工できるツールです。必要とする寸法公差と一致する型番のインサートを使用すれば手軽に目的のキー溝が加工できます。
各サイズのインサートに合わせて最適化されたホルダを組み合わせて使用します。ツールは一般的なサイドロックタイプのボーリングバーホルダに挿入して使用します。
レヴのスロッティングインサートのさらに詳しい製品特長はこちらをご確認ください。
ツールの選び方
加工に必要なサイズと寸法公差から対応するインサートを確認します。 レヴの標準インサートは各公差クラスの上限寸法をネライ値として設定しています。 これはインサート使用時の摩耗を考慮して長く精度を保つための設計となっています。 標準インサートはスロッティング加工に最適化されたオリジナルの焼結合金を母材とし、TiNコーティングが施されています。
アルミ~ステンレスまでオールマイティに使用できるインサートとなります。 インサートの型番が決まったら、対応するUTホルダを選定します。
ホルダはノーマルタイプとロングタイプの2種の加工長、φ16、φ20、φ25、φ32の4種のシャンクサイズを 展開しています。ワークの加工長や内径をチェックしてツールが適合するか確認してください。 適合するツールが見つからない場合は特注品の設計製作を行うこともできます。
特注品についてはこちらをご確認ください。
インサート型番(IN)
- 国内在庫インサートは1個単位でご購入いただけます。
イタリア取り寄せとなるインサートの最低購入個数は2個となります。 - かならず対応するUTホルダとの組み合わせでご使用ください。
- 各インサートは対応する公差クラスの上限値を基準に製作されています。
- ★印のついているインサートは国内在庫対象品です。それ以外の製品はイタリアからの取り寄せ品となります。
- 末尾に*印がついたインサートサイズについては2段階での加工(粗加工後の仕上加工)が推奨です。
型番表記の詳細や用語についての詳しい情報はこちらをご確認ください。
ミリ
| 型番 | 国内 在庫 |
材質 | 基準 寸法 (mm) |
公差 クラス |
面取り 仕様SM |
L1= キー溝幅 (mm) |
L2 (mm) |
L3 (mm) |
L4 (mm) |
L5 (mm) |
L6= キー溝高さ (mm) |
対応 ホルダ UT |
標準ホルダ 使用時 最小穴径(φ) |
インサート 固定ねじ |
|---|---|---|---|---|---|---|---|---|---|---|---|---|---|---|
| IN-02-P9 | 焼結金属 | 2 | P9 | 1.994 | 5 | 6.5 | 5 | 6 | 1.3 | UT-02 | 7 | VN-1 | ||
| IN-02-P9-SM | 〇 | 1.09 | ||||||||||||
| IN-02-H7 | ★ | H7 | 2.010 | 1.3 | ||||||||||
| IN-02-H7-SM | 〇 | 1.09 | ||||||||||||
| IN-02-D10 | ★ | D10 | 2.060 | 1.3 | ||||||||||
| IN-02-C11 | C11 | 2.120 | ||||||||||||
| IN-03-P9 | 焼結金属 | 3 | P9 | 2.994 | 6.08 | 6.5 | 5 | 7.5 | 2 | UT-03 | 8.7 | VN-1 | ||
| IN-03-P9-SM | 〇 | 1.42 | ||||||||||||
| IN-03-H7 | ★ | H7 | 3.010 | 2 | ||||||||||
| IN-03-H7-SM | 〇 | 1.42 | ||||||||||||
| IN-03-D10 | ★ | D10 | 3.060 | 2 | ||||||||||
| IN-03-C11 | C11 | 3.120 | ||||||||||||
| IN-04-P9 | 焼結金属 | 4 | P9 | 3.988 | 6.08 | 7 | 5 | 8 | 2.6 | UT-04 | 11 | VN-1 | ||
| IN-04-P9-SM | 〇 | 2.07 | ||||||||||||
| IN-04-H7 | ★ | H7 | 4.012 | 2.6 | ||||||||||
| IN-04-H7-SM | 〇 | 2.07 | ||||||||||||
| IN-04-D10 | ★ | D10 | 4.078 | 2.6 | ||||||||||
| IN-04-C11 | C11 | 4.145 | ||||||||||||
| IN-05-P9 | ★ | 焼結金属 | 5 | P9 | 4.988 | 6.08 | 7 | 5 | 8 | 3 | UT-05 | 13 | VN-1 | |
| IN-05-P9-SM | 〇 | 2.74 | ||||||||||||
| IN-05-H7 | ★ | H7 | 5.012 | 3 | ||||||||||
| IN-05-H7-SM | 〇 | 2.74 | ||||||||||||
| IN-05-D10 | ★ | D10 | 5.078 | 3 | ||||||||||
| IN-05-C11 | C11 | 5.145 | ||||||||||||
| IN-06-P9 | ★ | 焼結金属 | 6 | P9 | 5.988 | 10.08 | 9 | 6 | 13.5 | 4 | UT-06 | 17 | VN-2 | |
| IN-06-P9-SM | 〇 | 5.988 | 3 | |||||||||||
| IN-06-H7 | ★ | H7 | 6.012 | 4 | ||||||||||
| IN-06-H7-SM | 〇 | 3 | ||||||||||||
| IN-06-D10 | ★ | D10 | 6.078 | 4 | ||||||||||
| IN-06-C11 | C11 | 6.145 | ||||||||||||
| IN-07-H7 | ★ | 焼結金属 | 7 | H7 | 7.015 | 10.08 | 9 | 6 | 13.5 | 4.5 | UT-06 | 17 | VN-2 | |
| IN-08-P9 | ★ | 焼結金属 | 8 | P9 | 7.985 | 10.08 | 9 | 6 | 13.5 | 4.5 | UT-08 | 21.5 | VN-2 | |
| IN-08-P9-SM | 〇 | 3.78 | ||||||||||||
| IN-08-H7 | ★ | H7 | 8.015 | 4.5 | ||||||||||
| IN-08-H7-SM | 〇 | 3.78 | ||||||||||||
| IN-08-D10 | ★ | D10 | 8.098 | 4.5 | ||||||||||
| IN-08-C11 | C11 | 8.170 | ||||||||||||
| IN-10-P9 | 焼結金属 | 10 | P9 | 9.985 | 13.1 | 14 | 10 | 18.5 | 6 | UT-10 | 28 | VN-3 | ||
| IN-10-P9-SM | 〇 | 3.88 | ||||||||||||
| IN-10-H7 | ★ | H7 | 10.015 | 6 | ||||||||||
| IN-10-H7-SM | H7 | 〇 | 3.88 | |||||||||||
| IN-10-D10 | ★ | D10 | 10.098 | 6 | ||||||||||
| IN-10-C11 | C11 | 10.170 | ||||||||||||
| IN-12-P9 | 焼結金属 | 12 | P9 | 11.982 | 13.1 | 14 | 10 | 18.5 | 6.5 | UT-12 | 32 | VN-3 | ||
| IN-12-P9-SM | 〇 | 3.89 | ||||||||||||
| IN-12-H7 | ★ | H7 | 12.018 | 6.5 | ||||||||||
| IN-12-H7-SM | 〇 | 3.89 | ||||||||||||
| IN-12-D10 | ★ | D10 | 12.120 | 6.5 | ||||||||||
| IN-12-C11 | C11 | 12.205 | ||||||||||||
| IN-14-P9 | 焼結金属 | 14 | P9 | 13.982 | 18 | 14 | 10 | 22 | 7 | UT-14/16 | 37 | VN-3 | ||
| IN-14-P9-SM | 〇 | 4.71 | ||||||||||||
| IN-14-H7 | ★ | H7 | 14.018 | 7 | ||||||||||
| IN-14-H7-SM | 〇 | 4.71 | ||||||||||||
| IN-14-D10 | ★ | D10 | 14.120 | 7 | ||||||||||
| IN-14-C11 | C11 | 14.205 | ||||||||||||
| IN-16-P9 | 焼結金属 | 16 | P9 | 15.982 | 18 | 14 | 10 | 22 | 8 | UT-14/16 | 37 | VN-3 | ||
| IN-16-P9-SM | 〇 | 5.53 | ||||||||||||
| IN-16-H7 | ★ | H7 | 16.018 | 8 | ||||||||||
| IN-16-H7-SM | 〇 | 5.53 | ||||||||||||
| IN-16-D10 | ★ | D10 | 16.120 | 8 | ||||||||||
| IN-16-C11 | C11 | 16.205 | ||||||||||||
| IN-18-P9* | 焼結金属 | 18 | P9 | 17.982 | 26 | 18 | 10 | 30 | 9 | UT-18/25 | 45 | VN-4 | ||
| IN-18-P9-SM* | 〇 | 5.67 | ||||||||||||
| IN-18-H7* | ★ | H7 | 18.018 | 9 | ||||||||||
| IN-18-H7-SM* | 〇 | 5.67 | ||||||||||||
| IN-18-D10* | ★ | D10 | 18.120 | 9 | ||||||||||
| IN-18-C11* | C11 | 18.205 | ||||||||||||
| IN-20-P9* | 焼結金属 | 20 | P9 | 19.978 | 26 | 18 | 10 | 30 | 10 | UT-18/25 | 45 | VN-4 | ||
| IN-20-P9-SM* | 〇 | 6.29 | ||||||||||||
| IN-20-H7* | ★ | H7 | 20.021 | 10 | ||||||||||
| IN-20-H7-SM* | 〇 | 6.29 | ||||||||||||
| IN-20-D10* | ★ | D10 | 20.149 | 10 | ||||||||||
| IN-20-C11* | C11 | 20.240 | ||||||||||||
| IN-22-P9* | 焼結金属 | 22 | P9 | 21.978 | 26 | 18 | 10 | 30 | 11 | UT-18/25 | 45 | VN-4 | ||
| IN-22-P9-SM* | 〇 | 6.79 | ||||||||||||
| IN-22-H7* | ★ | H7 | 22.021 | 11 | ||||||||||
| IN-22-H7-SM* | 〇 | 6.79 | ||||||||||||
| IN-22-D10* | ★ | D10 | 22.149 | 11 | ||||||||||
| IN-22-C11* | C11 | 22.240 | ||||||||||||
| IN-25-P9* | 焼結金属 | 25 | P9 | 24.978 | 26 | 18 | 10 | 30 | 12 | UT-18/25 | 45 | VN-4 | ||
| IN-25-P9-SM* | 〇 | 7.02 | ||||||||||||
| IN-25-H7* | ★ | H7 | 25.021 | 12 | ||||||||||
| IN-25-H7-SM* | 〇 | 7.02 | ||||||||||||
| IN-25-D10* | ★ | D10 | 25.149 | 12 | ||||||||||
| IN-25-C11* | C11 | 25.240 |
インチ
| 型番 | 国内 在庫 |
材質 | 基準 寸法 (inch) |
公差 クラス |
面取り 仕様SM |
L1= キー溝幅 (mm) |
L1= キー溝幅 (inch) |
L2 (inch) |
L3 (inch) |
L4 (inch) |
L5 (inch) |
L6= キー溝高さ (inch) |
対応 ホルダ UT |
標準ホルダ 使用時 最小穴径(φ) |
インサート 固定ねじ |
|---|---|---|---|---|---|---|---|---|---|---|---|---|---|---|---|
| IN-3/32"-P9 | 焼結 金属 |
3/32" | P9 | 2.375 | 0.093 | 0.197 | 0.236 | 0.197 | 0.256 | 0,055 | UT-02 | 7 | VN-1 | ||
| IN-3/32"-H7 | H7 | 2.391 | 0.094 | ||||||||||||
| IN-3/32"-D10 | D10 | 2.441 | 0.096 | ||||||||||||
| IN-3/32"-C11 | C11 | 2.501 | 0.098 | ||||||||||||
| IN-1/8"-P9 | 焼結 金属 |
1/8" | P9 | 3.163 | 0.124 | 0.236 | 0.276 | 0.197 | 0.315 | 0.091 | UT-03 | 8.7 | VN-1 | ||
| IN-1/8"-H7 | H7 | 3.187 | 0.125 | ||||||||||||
| IN-1/8"-D10 | D10 | 3.253 | 0.128 | ||||||||||||
| IN-1/8"-C11 | C11 | 3.320 | 0.131 | ||||||||||||
| IN-5/32"-P9 | 焼結 金属 |
5/32" | P9 | 3.969 | 0.156 | 0.236 | 0.276 | 0.197 | 0.315 | 0.114 | UT-04 | 11 | VN-1 | ||
| IN-5/32"-H7 | H7 | 3.981 | 0.157 | ||||||||||||
| IN-5/32"-D10 | D10 | 4.047 | 0.159 | ||||||||||||
| IN-5/32"-C11 | C11 | 4.114 | 0.162 | ||||||||||||
| IN-3/16"-P9 | 焼結 金属 |
3/16" | P9 | 4.750 | 0.187 | 0.236 | 0.276 | 0.197 | 0.315 | 0.13 | UT-05 | 13 | VN-1 | ||
| IN-3/16"-H7 | H7 | 4.775 | 0.188 | ||||||||||||
| IN-3/16"-D10 | D10 | 4.841 | 0.191 | ||||||||||||
| IN-3/16"-C11 | C11 | 4.908 | 0.193 | ||||||||||||
| IN-1/4"-P9 | 焼結 金属 |
1/4" | P9 | 6.335 | 0.249 | 0.396 | 0.354 | 0.236 | 0.531 | 0.159 | UT-06 | 17 | VN-2 | ||
| IN-1/4"-H7 | H7 | 6.365 | 0.251 | ||||||||||||
| IN-1/4"-D10 | D10 | 6.448 | 0.254 | ||||||||||||
| IN-1/4"-C11 | C11 | 6.520 | 0.257 | ||||||||||||
| IN-9/32"-P9 | 焼結 金属 |
9/32" | P9 | 7.129 | 0.281 | 0.396 | 0.354 | 0.236 | 0.531 | 0.169 | UT-08 | 21.5 | VN-2 | ||
| IN-9/32"-H7 | H7 | 7.159 | 0.282 | ||||||||||||
| IN-9/32"-D10 | D10 | 7.242 | 0.285 | ||||||||||||
| IN-9/32"-C11 | C11 | 7.314 | 0.288 | ||||||||||||
| IN-5/16"-P9 | 焼結 金属 |
5/16" | P9 | 7.923 | 0.312 | 0.396 | 0.354 | 0.236 | 0.531 | 0.188 | UT-08 | 21.5 | VN-2 | ||
| IN-5/16"-H7 | H7 | 7.953 | 0.313 | ||||||||||||
| IN-5/16"-D10 | D10 | 8.036 | 0.316 | ||||||||||||
| IN-5/16"-C11 | C11 | 8.108 | 0.319 | ||||||||||||
| IN-3/8"-P9 | 焼結 金属 |
3/8" | P9 | 9.510 | 0.374 | 0.516 | 0.551 | 0.394 | 0.728 | 0.250 | UT-10 | 28 | VN-3 | ||
| IN-3/8"-H7 | H7 | 9.540 | 0.376 | ||||||||||||
| IN-3/8"-D10 | D10 | 9.623 | 0.379 | ||||||||||||
| IN-3/8"-C11 | C11 | 9.695 | 0.382 | ||||||||||||
| IN-7/16"-P9 | 焼結 金属 |
7/16" | P9 | 11.095 | 0.437 | 0.516 | 0.551 | 0.394 | 0.728 | 0.250 | UT-12 | 32 | VN-3 | ||
| IN-7/16"-H7 | H7 | 11.131 | 0.438 | ||||||||||||
| IN-7/16"-D10 | D10 | 11.233 | 0.442 | ||||||||||||
| IN-7/16"-C11 | C11 | 11.318 | 0.446 | ||||||||||||
| IN-1/2"-P9 | 焼結 金属 |
1/2" | P9 | 12.682 | 0.499 | 0.516 | 0.551 | 0.394 | 0.728 | 0.300 | UT-12 | 32 | VN-3 | ||
| IN-1/2"-H7 | H7 | 12.718 | 0.501 | ||||||||||||
| IN-1/2"-D10 | D10 | 12.820 | 0.505 | ||||||||||||
| IN-1/2"-C11 | C11 | 12.905 | 0.508 | ||||||||||||
| IN-9/16"-P9 | 焼結 金属 |
9/16" | P9 | 14.270 | 0.562 | 0.709 | 0.551 | 0.394 | 0.866 | 0.275 | UT-14/16 | 37 | VN-3 | ||
| IN-9/16"-H7 | H7 | 14.306 | 0.563 | ||||||||||||
| IN-9/16"-D10 | D10 | 14.408 | 0.567 | ||||||||||||
| IN-9/16"-C11 | C11 | 14.493 | 0.571 | ||||||||||||
| IN-5/8"-P9 | 焼結 金属 |
5/8" | P9 | 15.857 | 0.624 | 0.709 | 0.551 | 0.394 | 0.866 | 0.312 | UT-14/16 | 37 | VN-3 | ||
| IN-5/8"-H7 | H7 | 15.893 | 0.626 | ||||||||||||
| IN-5/8"-D10 | D10 | 15.995 | 0.630 | ||||||||||||
| IN-5/8"-C11 | C11 | 16.080 | 0.633 | ||||||||||||
| IN-3/4"-P9 | 焼結 金属 |
3/4" | P9 | 19.028 | 0.749 | 1.024 | 0.709 | 0.394 | 1.181 | 0.393 | UT-18/25 | 45 | VN-4 | ||
| IN-3/4"-H7 | H7 | 19.071 | 0.751 | ||||||||||||
| IN-3/4"-D10 | D10 | 19.199 | 0.756 | ||||||||||||
| IN-3/4"-C11 | C11 | 19.290 | 0.759 |
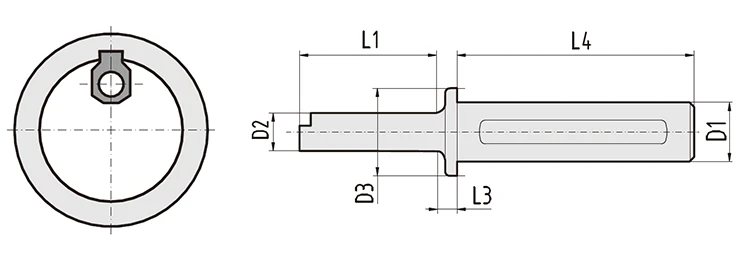
ホルダ型番(UT)
- 標準UTホルダは1個単位でご購入いただけます。
- かならず適切なINインサートとの組み合わせでご使用ください。
- ★印のついているホルダは国内在庫対象品です。それ以外の製品はイタリアからの取り寄せ品となります。
- インサート固定ねじはホルダ1本につき1本付属しています。
- 固定ねじ用のレンチは付属していません。サイズ表を参考に市販のレンチをご使用ください。
- 最小対応穴径と加工長を確認してお選びください。
- ロングタイプは剛性が低下します。可能な限り必要な加工長に近しい有効長のホルダを選定してください。
- 既製品の有効長や最小穴径がワークと合致しない場合は特注品の製作も可能です。
特注品についてはこちらをご確認ください。
型番表記の詳細や用語についての詳しい情報はこちらをご確認ください。
| 型番 | 国内 在庫 |
材質 | L1= 有効長 (mm) |
L3 (mm) |
L4= シャンク長 (mm) |
D1= シャンク径 (mm) |
D2 (mm) |
D3 (mm) |
主な対応 インサート IN |
最小 穴径 (φ) |
インサート 固定ねじ |
レンチ サイズ |
アライ メント プレート |
偏芯 ブッシュ |
|---|---|---|---|---|---|---|---|---|---|---|---|---|---|---|
| UT-02-16 | ★ | 焼入硬化鋼 | 25 | 5 | 40 | 16 | 6 | 24 | IN-02 | 7 | VN-1 | T08 | PN-0 | - |
| UT-02-20 | ★ | 50 | 20 | |||||||||||
| UT-02-25 | ★ | 9 | 90 | 25 | 30 | B-32 | ||||||||
| UT-02-25-L | ★ | 34.5 | ||||||||||||
| UT-02-32 | ★ | 25 | 100 | 32 | 37 | B-40, B-50 |
||||||||
| UT-02-32-L | ★ | 34.5 | ||||||||||||
| UT-03-16 | ★ | 焼入硬化鋼 | 30 | 5 | 40 | 16 | 8 | 24 | IN-03 | 8.7 | VN-1 | T08 | PN-1 | - |
| UT-03-20 | ★ | 50 | 20 | |||||||||||
| UT-03-25 | ★ | 9 | 90 | 25 | 30 | B-32 | ||||||||
| UT-03-25-L | ★ | 40 | ||||||||||||
| UT-03-32 | ★ | 30 | 100 | 32 | 37 | B-40, B-50 |
||||||||
| UT-03-32-L | ★ | 40 | ||||||||||||
| UT-04-16 | ★ | 焼入硬化鋼 | 40 | 5 | 40 | 16 | 10 | 24 | IN-04 | 11 | VN-1 | T08 | PN-1 | - |
| UT-04-20 | ★ | 50 | 20 | |||||||||||
| UT-04-25 | ★ | 9 | 90 | 25 | 30 | B-32 | ||||||||
| UT-04-25-L | ★ | 56 | ||||||||||||
| UT-04-32 | ★ | 40 | 100 | 32 | 37 | B-40, B-50 |
||||||||
| UT-04-32-L | ★ | 56 | ||||||||||||
| UT-05-16 | ★ | 焼入硬化鋼 | 46 | 5 | 40 | 16 | 12 | 24 | IN-05 | 13 | VN-1 | T08 | PN-1 | - |
| UT-05-20 | ★ | 50 | 20 | |||||||||||
| UT-05-25 | ★ | 9 | 90 | 25 | 30 | B-32 | ||||||||
| UT-05-25-L | ★ | 66 | ||||||||||||
| UT-05-32 | ★ | 46 | 100 | 32 | 37 | B-40, B-50 |
||||||||
| UT-05-32-L | ★ | 66 | ||||||||||||
| UT-06-25 | ★ | 焼入硬化鋼 | 56 | 9 | 90 | 25 | 16 | 30 | IN-06~07 | 17.5 | VN-2 | T15 | PN-2 | B-32 |
| UT-06-25-L | ★ | 81 | ||||||||||||
| UT-06-32 | ★ | 56 | 100 | 32 | 37 | B-40, B-50 |
||||||||
| UT-06-32-L | ★ | 81 | ||||||||||||
| UT-08-25 | ★ | 焼入硬化鋼 | 68 | 9 | 90 | 25 | 20 | 30 | IN-08 | 21.5 | VN-2 | T15 | PN-2 | B-32 |
| UT-08-25-L | ★ | 100 | ||||||||||||
| UT-08-32 | ★ | 68 | 100 | 32 | 37 | B-40, B-50 |
||||||||
| UT-08-32-L | ★ | 100 | ||||||||||||
| UT-10-25 | ★ | 焼入硬化鋼 | 86 | 9 | 90 | 25 | 25 | 32 | IN-10 | 28 | VN-3 | T20 | PN-3 | B-32 |
| UT-10-25-L | ★ | 126 | ||||||||||||
| UT-10-32 | ★ | 86 | 100 | 32 | 37 | B-40, B-50 |
||||||||
| UT-10-32-L | ★ | 126 | ||||||||||||
| UT-12-25 | ★ | 焼入硬化鋼 | 104 | 9 | 90 | 25 | 30 | 35 | IN-12 | 32 | VN-3 | T20 | PN-3 | B-32 |
| UT-12-25-L | ★ | 161 | ||||||||||||
| UT-12-32 | ★ | 104 | 100 | 32 | 37 | B-40, B-50 |
||||||||
| UT-12-32-L | ★ | 161 | ||||||||||||
| UT-14/16-25 | ★ | 焼入硬化鋼 | 126 | 9 | 90 | 25 | 35 | 37 | IN-14~16 | 37 | VN-3 | T20 | PN-4 | B-32 |
| UT-14/16-25-L | ★ | 180 | ||||||||||||
| UT-14/16-32 | ★ | 126 | 100 | 32 | B-40, B-50 |
|||||||||
| UT-14/16-32-L | ★ | 180 | ||||||||||||
| UT-18/25-32 | ★ | 焼入硬化鋼 | 140 | 9 | 100 | 32 | 40 | 45 | IN-18~25 | 45 | VN-4 | HEX5 | PN-5 | B-40, B-50 |
| UT-18/25-32-L | ★ | 200 |
面取り仕様インサート(SMタイプ)
REV(レヴ) スロッティングツールの一部のサイズにはキー溝加工と同時に内径へのバリを抑制する面取りを同時に行うことのできる面取り仕様(SMタイプ)のインサートがあります。SMタイプはキー溝高さ方向のL6寸法がノーマルタイプより短くなっており、一定の溝高さまで加工を行うと同時に面取りを行って仕上げを行うことができます。
ただし、SMタイプは加工できる溝高さに制限があるためご注意ください。既製品に適合するSMタイプのインサートが無い場合は、任意の仕様で特注品の設計製作を行うこともできます。
特注品についてはこちらをご確認ください。
芯高さ(Y軸)補正オプション
キー溝加工ではキー溝の幅精度だけでなく、キー溝の位置の中心精度を保つことも重要です。
REV(レヴ) スロッティングツールは芯高さ(Y軸)のNC制御ができない設備で加工する場合でも、芯高さを簡単に調整できるオプションを用意しています。
偏芯ブッシュを併用すると、Y軸制御ができない設備でも目盛を基準に簡単に芯調整が可能です。
偏芯ブッシュのさらに詳しい製品特長はこちらをご確認ください。
その他の情報
カタログダウンロード
ご相談、お問合せはこちら
フォームが表示されるまでしばらくお待ちください。
恐れ入りますが、しばらくお待ちいただいてもフォームが表示されない場合は、こちらまでお問い合わせください。
