ファイバーレーザーマーカー Fシリーズfiber
金属全般に印字可能でインラインタイプに最適です。粗い面、平滑な面、塗装面などにあらゆる表面仕様に対して使用可能です。
ファイバーレーザーマーカーとは
どんな状況下にも対応可能なレーザーマーカー
発信機(コントローラ)
-
過酷な仕様環境でも有効なヘッド。
-
あらゆる表面仕様に高速で綺麗なマーキングが可能です。
-
横向きに取り付けてもOK。
-
PCで簡単に使用出来るソフト。
-
PLCやPCと連動し、インライン設備化。
-
最高の安全基準 ― Class1
-
2Dコード、円弧マーキングも標準仕様。
-
IP54ヘッド ― 防塵防水仕様
仕様
| 波長 | F20 Premium 20 Standard |
F30 Premium F30 Standard |
F50 Premium |
|---|---|---|---|
| 出力 | 20W | 30W | 50W |
| 重量 | マーキングヘッド 6.8㎏ コントローラボックス 16㎏ |
マーキングヘッド 6.8㎏ コントローラボックス 16㎏ |
マーキングヘッド 6.8㎏ コントローラボックス 20㎏ |
| 周波数 | Premium 2 – 200 kHz Standard 30 – 60 kHz |
Premium 2 – 200 kHz Standard 30 – 60 kHz |
2 – 200 kHz |
| 周囲温度 (稼働率50%時) |
0 – 40℃ | 0 – 40℃ | 0 – 35℃ |
共通項目
| 最高速度 | 10000 ㎜/s |
|---|---|
| 最小ビーム径 | 40 μm~ |
| マーキングモード | 固定マーキングモード |
| IPレベル | IP54ヘッド - 防塵防水仕様 |
| インターフェース | Ethernet、Profinet、8I/8O 専用I/O (D-sub 37ピン、RS232C、USB(3口)) |
| ケーブル長 | 3 m ※Premiumはオプションにて5m対応可 |
| マーキングエリア (レンズ種) | □ 65 ㎜ / □ 110 ㎜(□ 90 ㎜)/ □ 175 ㎜(□ 140 ㎜)/ □ 205 ㎜ ※( )は3D機能使用時 |
| 電力 | 700 W |
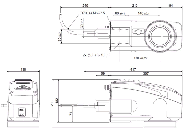
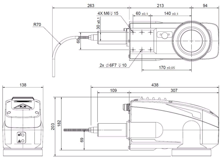
| 外形寸法 | マーキングヘッド L 307 ㎜ × W 138 ㎜ × H 203 ㎜ コントロールユニット L 462 ㎜ × W 420 ㎜ × H 184 ㎜ |
F20 -F30 Premium/Standard
F50 Premium
コントロールユニット
治具や搬送も含めた設備化も弊社一任で対応可能です。
設備化をご希望の際には、お問い合わせ頂ければと思います。
レーザーマーカーカスタマイズ事例
ケーブルの長さの範囲で持ち運び可能


-
動かせない大型ワークや設備に載らないワークにも対応可能
※コントロールボックスとケーブルの長さ範囲内でマーキング可能 -
レーザーマーカーを持ち運べるタイプで実現
※両手持ちハンドルで誰でも簡単に操作可能 -
安全機能を搭載
※ワークから離れると自動でマーキングが停止 -
固定式ではないため、屋内・屋外の両方で使用可能
※電源があればどこでも対応可能 -
印字できないを解決する、新たな対応力
レーザーヘッドは様々なメーカーへ対応可能となっておりますのでご相談ください。
仕様
| 重量 | マーキングヘッド 6.8㎏ コントローラボックス 約16㎏ |
|---|---|
| 出力 | 20W |
| 周波数 | 20-100kHZ / 30-60kHZ |
| 周囲温度 | 0 – 40℃ |
| マーキングエリア | □ 65㎜ / □110㎜(□ 90㎜)/ □175㎜(□140㎜)/ □205㎜ ※( )は3D機能使用時 |
カタログダウンロード
ご相談、お問合せはこちら
フォームが表示されるまでしばらくお待ち下さい。
恐れ入りますが、しばらくお待ちいただいてもフォームが表示されない場合は、こちらまでお問い合わせください。

